← Назад до списку тем

Тема: Явище самоіндукції. Індуктивність. Енергія магнітного поля.

ЗНО-2019, додаткова сесія, питання 15
Для намагнічування залізних предметів зібрали електричне коло за схемою (див. рисунок 1). Конденсатор $C$ спочатку зарядили від джерела постійного струму $\varepsilon$, а потім перемикачем $П$ приєднали до котушки індуктивності $L$. Усередині котушки розміщено предмет, який збиралися намагнітити. Проте виявилося, що установка працювала погано: предмети намагнічувалися дуже слабко, і неможливо передбачити, як будуть розташовані на них магнітні полюси.
Визначте, який з елементів (А – Г) потрібно добавити в коло (див. рисунок 2), щоб посилити намагнічування.
Ілюстрація до питання 15
    А. Ілюстрація до питання 15 (правильна)
    Б. Ілюстрація до питання 15
    В. Ілюстрація до питання 15
    Г. Ілюстрація до питання 15
ЗНО-2016, додаткова сесія, питання 13
У скільки разів збільшується енергія магнітного поля котушки індуктивності, якщо сила струму в ній зростає в 3 рази?
    А. у 3 рази
    Б. у 6 разів
    В. у 9 разів (правильна)
    Г. у 81 раз
ЗНО-2011, основна сесія, питання 20
У схемі електричного кола, зображеній на рисунку, лампочки 1 і 2 є однаковими. Під час замикання ключа $К$ лампочка 2 загорається на $0,5 \mathrm{~c}$ пізніше, ніж лампочка 1 , тому що
Ілюстрація до питання 20
    А. дріт, з якого виготовлено котушку, має досить великий опір.
    Б. лампочка 2 знаходиться далі від джерела електрорушійної сили, ніж лампочка 1.
    В. у котушці виникає електрорушійна сила самоіндукції, що перешкоджає зростанню струму в ній. (правильна)
    Г. електрони сповільнюються на ділянках кола, що вигинаються.
ЗНО-2014, основна сесія, питання 13
Укажіть правильний запис одиниці індуктивності провідника, вираженої через основні одиниці SI.
    А. $\frac { \mathrm{кг} \cdot \mathrm{м}^{2}} {\mathrm{А} \cdot \mathrm{с}^{2} }$ (правильна)
    Б. $\frac { \mathrm{кг} \cdot \mathrm{м}^{2}} {\mathrm{А} \cdot \mathrm{с}^{2} }$
    В. $\frac { \mathrm{кг} \cdot \mathrm{м}} {\mathrm{А} \cdot \mathrm{с}^{2} }$
    Г. $\frac { \mathrm{кг} \cdot \mathrm{м}^{2}} {\mathrm{А} \cdot \mathrm{с}^{3} }$
ЗНО-2007, основна сесія, питання 18
Після розмикання кола живлення котушки з індуктивністю $2 \mathrm{~Гн}$ на клемах вимикача виникала ЕРС самоіндукції $300 \mathrm{~В}$. Сила струму до розмикання кола становила $1,5 \mathrm{~А}$. Вважаючи, що сила струму в колі змінювалась рівномірно, визначте час існування струму в котушці після розмикання кола.
    А. $10 \mathrm{~мс}$ (правильна)
    Б. $100 \mathrm{~мс}$
    В. $50 \mathrm{~мс}$
    Г. $1 \mathrm{~мс}$
    Д. $5 \mathrm{~мс}$
Складність: 54
ЗНО-2007, основна сесія, питання 20
Правильно продовжте твердження: під час незатухаючих електромагнітних коливань, у момент, коли конденсатор має максимальний заряд, максимального значення досягає ...
    А. Повна енергія електромагнітних коливань
    Б. Енергія магнітного поля
    В. Енергія електричного поля (правильна)
    Г. Частота коливань
    Д. Ємність контуру
Складність: 54
ЗНО-2009, основна сесія, питання 21
Індуктивність котушки коливального контура дорівнює $20 \mathrm{~мГн}$. Визначте ємність конденсатора, якщо максимальна напруга на ньому становить $80 \mathrm{~В}$, а максимальна сила струму в котушці дорівнює $2 \mathrm{~А}$. Коливання в контурі вважайте незатухаючими.
    А. $2,5 \mathrm{~мкФ}$
    Б. $7,5 \mathrm{~мкФ}$
    В. $12,5 \mathrm{~мкФ}$ (правильна)
    Г. $20 \mathrm{~мкФ}$
Складність: 31
ЗНО-2009, додаткова сесія, питання 20
Заряджений конденсатор ємністю $C$ з'єднали з котушкою, індуктивність якої дорівнює $L$. Визначте, через який час уся енергія електричного поля конденсатора перетвориться в енергію магнітного поля котушки. Активним опором елементів кола можна знехтувати.
    А. $\frac{\pi}{4} \sqrt{L C}$
    Б. $\frac{\pi}{2} \sqrt{L C}$ (правильна)
    В. $\pi \sqrt{L C}$
    Г. $2 \pi \sqrt{L C}$
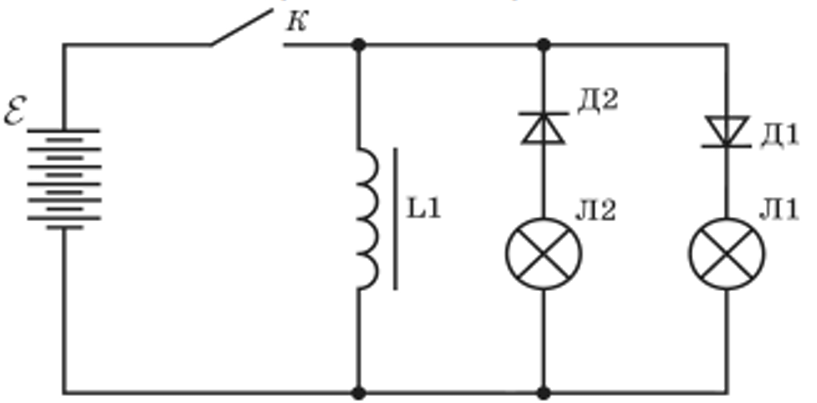
ЗНО-2008, додаткова сесія, питання 17
Визначте, які лампочки спалахуватимуть при періодичному замиканні та розмиканні вимикача, якщо індуктивність котушки L1 досить велика.
Ілюстрація до питання 17
    А. Доки вимикач замкнутий, горить обидві лампочки, при розмиканні обидві гаснуть.
    Б. Доки вимикач замкнутий, горить Л2, при розмиканні спалахує Л1. (правильна)
    В. Доки вимикач замкнутий, горить Л1, при розмиканні спалахує Л2.
    Г. При замиканні спалахує Л1, при розмиканні спалахує Л2.
ЗНО-2008, додаткова сесія-2, питання 17
Визначте, які лампочки спалахуватимуть при періодичному замиканні та розмиканні вимикача, якщо індуктивність котушки L1 досить велика.
Ілюстрація до питання 17
    А. Доки вимикач замкнутий, горить обидві лампочки, при розмиканні обидві гаснуть.
    Б. Доки вимикач замкнутий, горить Л2, при розмиканні спалахує Л1.
    В. Доки вимикач замкнутий, горить Л1, при розмиканні спалахує Л2. (правильна)
    Г. При замиканні спалахує Л2, при розмиканні спалахує Л1.
ЗНО-2011, пробна сесія, питання 29
Установіть відповідність між назвою одиниці фізичної величини та її виразом в основних одиницях SI.
Зіставлення:
Варіанти зліва
1. тесла
2. генрі
3. вебер
4. джоуль
Варіанти справа
А. $\frac{\mathrm{кг} \cdot \mathrm{м}^{2}}{\mathrm{с}^{2} \cdot \mathrm{~A}^{2}}$
Б. $\frac{\mathrm{кг} \cdot \mathrm{м}^{2}}{\mathrm{с}^{2}}$
В. $\frac{\mathrm{кг}}{\mathrm{с}^{2} \cdot \mathrm{~A}}$
Г. $\frac{\mathrm{кг} \cdot \mathrm{м}^{2}}{\mathrm{с}^{2} \cdot \mathrm{~A}}$
Д. $\frac{\mathrm{кг} \cdot \mathrm{м}}{\mathrm{с}^{2}}$
А Б В Г Д
1
2
3
4
ЗНО-2010, додаткова сесія, питання 27
Установіть відповідність між фізичними величинами та їхніми математичними виразами.
Зіставлення:
Варіанти зліва
1. електрорушійна сила самоіндукції
2. магнітний потік
3. модуль сили Лоренца
4. модуль сили Ампера
Варіанти справа
А. $BS \cos \alpha$
Б. $I \cdot \Delta t$
В. $BI \sin \alpha$
Г. $\frac{-L \Delta I}{\Delta t}$
Д. $Bvq  \sin \alpha$
А Б В Г Д
1
2
3
4
ЗНО-2018, додаткова сесія, питання 32.2
До котушки індуктивності під’єднали заряджений конденсатор. У колі виникли електромагнітні коливання. Індуктивність котушки $10 \mathrm{~мГн}$, ємність конденсатора $40 \mathrm{~мФ}$. Активним опором кола знехтуйте.

Через який найменший час після з'єднання енергія магнітного поля котушки зрівняється з енергією електричного поля конденсатора? Уважайте, що $\pi=3,14$.
Відповідь запишіть у мілісекундах ($\mathrm{мс}$) й округлять до одиниць
Правильна відповідь: 16.0
ЗНО-2012, додаткова сесія, питання 34
Котушку індуктивністю $2 \mathrm{~Гн}$ підключили до акумулятора. За час зростання сили струму до $5 \mathrm{~А}$ у колі виділилася кількість теплоти $70 \mathrm{~Дж}$. Визначте роботу джерела струму за цей час. Утратами енергії на електромагнітне випромінювання знехтуйте. Відповідь запишіть у джоулях.
Правильна відповідь: 95.0
ЗНО-2014, основна сесія, питання 32
Котушка індуктивністю $50 \mathrm{~мкГн}$ послідовно приєднана до конденсатора. Визначте ємність конденсатора, якщо контур резонує на довжину хвилі $600 \mathrm{~м}$. Уважайте, що $\pi^{2}=10$.
Відповідь запишіть у нанофарадах.
Правильна відповідь: 2.0
ЗНО-2014, додаткова сесія, питання 31
У котушці за 1 хвилину сила струму збільшується від $10 \mathrm{~А}$ до $130 \mathrm{~А}$. Обчисліть індуктивність ($\mathrm{Гн}$) котушки, якщо ЕРС (електрорушійна сила) самоіндукції дорівнює $50 \mathrm{~В}$.
Правильна відповідь: 25.0
ЗНО-2014, пробна сесія, питання 32
Струм силою $20 \mathrm{~А}$, пропущений крізь обмотку котушки, створює в ній магнітний потік $0,5 \mathrm{~Вб}$. Обчисліть енергію магнітного поля цієї котушки.
Відповідь запишіть у джоулях.
Правильна відповідь: 5.0
ЗНО-2010, додаткова сесія, питання 34
Визначте енергію магнітного поля котушки, що має індуктивність $3 \mathrm{~Гн}$, по якій проходить струм силою $0,5 \mathrm{~A}$.
Відповідь запишіть у джоулях.
Правильна відповідь: 0.375
ЗНО-2010, основна сесія, питання 34
У котушці, індуктивність якої дорівнює $0,8 \mathrm{~Гн}$, при рівномірному зростанні сили струму виникла електрорушійна сила самоіндукції, модуль якої дорівнює $1,2 \mathrm{~В}$. На скільки збільшується сила струму за 1 секунду?
Відповідь запишіть в амперах.
Правильна відповідь: 1.5
ЗНО-2007, основна сесія, питання 33
Визначте індуктивність котушки, якщо відомо, що по ній протікає струм $20 \mathrm{~А}$, а енергія магнітного поля котушки становить $100 \mathrm{~Дж}$. Відповідь подайте в генрі.
Правильна відповідь: 0.5
Складність: 54
ЗНО-2008, додаткова сесія, питання 34
Визначте магнітний потік (у $\mathrm{Вб}$), що виникає в соленоїді, індуктивність якого дорівнює $0,05 \mathrm{~Гн}$, сила струму у витках дорівнює $2 \mathrm{~А}$.
Правильна відповідь: 0.1
ЗНО-2008, додаткова сесія-2, питання 34
Визначте силу струму (в амперах) у соленоїді індуктивністю $0,05 \mathrm{~Гн}$, якщо в ньому виникає магнітний потік $0,1 \mathrm{~Вб}$.
Правильна відповідь: 2.0