← Назад до списку тем

Тема: Послідовне та паралельне з'єднання провідників.

НМТ-2023, основна сесія, 7 сесія, 2 зміна, питання 7
Електричне коло, схему якого зображено на рисунку, складене з батареї гальванічних елементів, амперметра, вольтметра, вимикача та двох однакових ламп. Як зміняться покази приладів, якщо ключ К замкнути? Опір з’єднувальних провідників і внутрішній опір джерела струму не враховуйте.
Ілюстрація до питання 7
    А. показ амперметра зменшиться, вольтметра – збільшиться
    Б. показ амперметра збільшиться, вольтметра – зменшиться
    В. покази амперметра й вольтметра збільшаться
    Г. показ амперметра збільшиться, вольтметра – не зміниться (правильна)
Складність: 47
НМТ-2024, основна сесія, 5 сесія, питання 7
Виконуючи лабораторну роботу з визначення опору лампи розжарювання, учні зобразили кілька електричних схем.
Укажіть схему електричного кола, складання якого може призвести до псування амперметра.
    А. Ілюстрація до питання 7
    Б. Ілюстрація до питання 7
    В. Ілюстрація до питання 7
    Г. Ілюстрація до питання 7 (правильна)
Складність: 44
ЗНО-2019, основна сесія, питання 14
Сила струму під час його проходження ділянкою кола, зображеної на рисунку, найбільша в резисторі з опором
Ілюстрація до питання 14
    А. $3 \mathrm{~Ом}$
    Б. $6 \mathrm{~Ом}$
    В. $8 \mathrm{~Ом}$ (правильна)
    Г. $24 \mathrm{~Ом}$
Складність: 13
ЗНО-2020, основна сесія, питання 13
Елементами електричного кола (див. схему) є три однакові лампи. Як зміниться яскравість світіння ламп $Л_{1}$ і $Л_{3}$, якщо лампа $Л_{2}$ вийде з ладу?
Ілюстрація до питання 13
    А. лампи $Л_{1}$ та $Л_{3}$ світитимуть яскравіше
    Б. лампи $Л_{1}$ та $Л_{3}$ світитимуть слабше
    В. лампа $Л_{1}$ світитиме слабше, а $Л_{3}$ – яскравіше (правильна)
    Г. лампа $Л_{1}$ світитиме яскравіше, а $Л_{3}$ – слабше
Складність: 22
ЗНО-2019, додаткова сесія, питання 14
Найвищою з-поміж зображених на рисунку резисторів є напруга на резисторі з опором
Ілюстрація до питання 14
    А. $2 \mathrm{~Ом}$
    Б. $3 \mathrm{~Ом}$ (правильна)
    В. $8 \mathrm{~Ом}$ (правильна)
    Г. $9 \mathrm{~Ом}$
ЗНО-2016, основна сесія, питання 11
Три резистори опором $10 \mathrm{~Ом}$ кожний з'єднані послідовно та приєднані до батареї гальванічних елементів. Один із резисторів замінили на резистор опором $4 \mathrm{~Ом}$. У скільки разів змінилася загальна потужність струму в резисторах? Напругу на полюсах батареї вважайте незмінною.
    А. зменшилася в $1,25$ раза
    Б. зменшилася в $1,56$ раза
    В. збільшилася в $1,25$ раза (правильна)
    Г. збільшилася в $1,56$ раза
ЗНО-2016, пробна сесія, питання 10
Ділянка електричного кола складається з чотирьох однакових резисторів та вимикача $K$ (див. рисунок). Коли вимикач замкнено, опір ділянки кола дорівнює $16 \mathrm{~Ом}$. Визначте, яким буде опір цієї ділянки кола після розмикання вимикача $K$.
Ілюстрація до питання 10
    А. $8 \mathrm{~Ом}$
    Б. $12 \mathrm{~Ом}$
    В. $24 \mathrm{~Ом}$ (правильна)
    Г. $32 \mathrm{~Ом}$
ЗНО-2017, основна сесія, питання 11
Яка мінімальна кількість резисторів з опором по $12 \mathrm{~кОм}$ знадобиться, щоб замінити один резистор з опором $16 \mathrm{~кОм}$?
    А. 3
    Б. 4 (правильна)
    В. 6
    Г. 7
ЗНО-2017, додаткова сесія, питання 11
Учень під час лабораторної роботи склав одне за одним декілька електричних кіл (див. схеми на рисунках). У якому з них вольтметр показує нуль? Прилади та провідники вважайте ідеальними.
    А. Ілюстрація до питання 11 (правильна)
    Б. Ілюстрація до питання 11
    В. Ілюстрація до питання 11
    Г. Ілюстрація до питання 11
ЗНО-2015, додаткова сесія, питання 11
До ділянки кола, що складається з чотирьох однакових резисторів та ідеального вольтметра, прикладено напругу $100 \mathrm{~В}$. Визначте показники вольтметра.
Ілюстрація до питання 11
    А. $20 \mathrm{~B}$
    Б. $40 \mathrm{~B}$
    В. $60 \mathrm{~B}$
    Г. $80 \mathrm{~B}$ (правильна)
ЗНО-2011, основна сесія, питання 16
В електричному колі, схему якого зображено на рисунку, амперметр показує значення сили струму $4,4 \mathrm{~А}$. Яке значення сили струму покаже амперметр, якщо змінити полярність джерела струму? Внутрішнім опором джерела і амперметра знехтуйте. Опір діода, увімкненого в прямому напрямку, вважайте рівним нулю.
Ілюстрація до питання 16
    А. $0,4 \mathrm{~А}$ (правильна)
    Б. $0,7 \mathrm{~А}$
    В. $1 \mathrm{~А}$
    Г. $8,1 \mathrm{~А}$
ЗНО-2011, пробна сесія, питання 13
Амперметр розрахований на $5 \mathrm{~А}$ і має внутрішній опір $0,03 \mathrm{~Ом}$. Визначте опір шунта, який дозволить виміряти за допомогою цього амперметра струм силою до $20 \mathrm{~А}$. Шунт вмикається паралельно до амперметра.
    А. $0,01 \mathrm{~Ом}$ (правильна)
    Б. $0,06 \mathrm{~Ом}$
    В. $0,12 \mathrm{~Ом}$
    Г. $0,15 \mathrm{~Ом}$
ЗНО-2012, додаткова сесія, питання 15
Прилад, який розраховано на напругу $150 \mathrm{~В}$ і силу струму $2 \mathrm{~А}$, треба підключити до джерела струму з напругою $220 \mathrm{~В}$. Визначте опір резистора, який має бути послідовно з'єднаний із приладом.
    А. $35 \mathrm{~Ом}$ (правильна)
    Б. $75 \mathrm{~Ом}$
    В. $110 \mathrm{~Ом}$
    Г. $185 \mathrm{~Ом}$
ЗНО-2012, пробна сесія, питання 17
Визначте напругу на кінцях зображеної на рисунку ділянки електричного кола, якщо амперметр показує значення сили струму $0,2 \mathrm{~A} ; R_{1}=6 \mathrm{~Ом}, R_{2}=5 \mathrm{~Ом}$, $R_{3}=20 \mathrm{~Ом}$.
Ілюстрація до питання 17
    А. $4 \mathrm{~В}$
    Б. $6 \mathrm{~В}$
    В. $10 \mathrm{~В}$ (правильна)
    Г. $20 \mathrm{~В}$
ЗНО-2015, основна сесія, питання 11
Як потрібно з'єднати три однакові резистори опором по $4 \mathrm{~Ом}$, щоб отримати ділянку електричного кола з опором $6 \mathrm{~Ом}$?
    А. Ілюстрація до питання 11 (правильна)
    Б. Ілюстрація до питання 11
    В. Ілюстрація до питання 11
    Г. Ілюстрація до питання 11
ЗНО-2009, основна сесія, питання 14
Ділянка електричного кола складається з трьох однакових резисторів та вимикача (див. рисунок). Коли вимикач розімкнено, опір ділянки дорівнює $6 \mathrm{~Ом}$. Визначте, яким буде опір ділянки електричного кола після замикання вимикача.
Ілюстрація до питання 14
    А. $3 \mathrm{~Ом}$
    Б. $4,5 \mathrm{~Ом}$ (правильна)
    В. $6 \mathrm{~Ом}$
    Г. $9 \mathrm{~Ом}$
Складність: 28
ЗНО-2008, додаткова сесія, питання 12
Визначте, у якому із запропонованих варіантів відповідей номери ламп розташовано в порядку зростання яскравості їхнього світіння. (Всі лампи однакові.)
Ілюстрація до питання 12
    А. $5,4,2,1$
    Б. $4,2,1,5$ (правильна)
    В. $1,2,4,5$
    Г. $2,3,1,5$
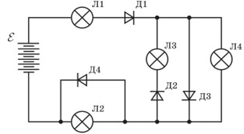
ЗНО-2008, додаткова сесія, питання 15
Визначте, яка з лампочок, зображених на схемі, світиться.
Ілюстрація до питання 15
    А. Л1 (правильна)
    Б. Л2
    В. Л3
    Г. Л4
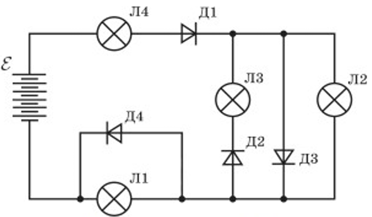
ЗНО-2008, додаткова сесія-2, питання 15
Визначте, яка з лампочок, зображених на схемі, світиться.
Ілюстрація до питання 15
    А. Л1
    Б. Л2
    В. Л3
    Г. Л4 (правильна)
ЗНО-2009, додаткова сесія, питання 28
У зображеному на рисунку електричному колі ключ розімкнено. Розгляньте схему та встановіть відповідність між твердженнями. Вимірювальні прилади вважайте ідеальними.
Ілюстрація до питання 28
Зіставлення:
Варіанти зліва
1. Викрутили об́идві лампочки.
2. Ковзний контакт реостата посунули ліворуч.
3. Замкнули ключ.
4. Викрутили одну лампочку.
Варіанти справа
А. Показ амперметра зменшиться (не до нуля),
Б. Показ амперметра збільшиться, а показ вольтметра зменшиться.
В. Показ амперметра збільшиться, показ вольтметра не зміниться.
Г. Перегорить плавкий запобіжник.
Д. Показ амперметра зменшиться, показ вольтметра не зміниться.
А Б В Г Д
1
2
3
4
ЗНО-2021, основна сесія, питання 27.1
На рисунку схематично показано початкове (рис. а) і кінцеве (рис. б) положення повзунка реостата, підключеного до джерела струму з внутрішнім опором $1 \mathrm{~Ом}$. Повний опір реостата дорівнює $6 \mathrm{~Ом}$.

Чому дорівнює опір реостата за положення повзунка, зображеного на рисунку $a$ ?
Відповідь запишіть в омах ($\mathrm{Ом}$).
Ілюстрація до питання 27.1
Правильна відповідь: 5.0
Складність: 48
ЗНО-2020, додаткова сесія, питання 27.1
Електричне коло складається із джерела струму (1), вольтметра (2), вимикача (3), амперметра (4), резисторів R1, R2 та реостата R3. Вимірявши силу струму й напругу (див. фото 1), вимикач розімкнули (фото 2) і змінили опір реостата так, щоби показ амперметра збігся з попереднім.

Чому дорівнює напруга на резисторі R1 (фото 1)?
Відповідь запишіть у вольтах ($\mathrm{В}$).
Ілюстрація до питання 27.1
Правильна відповідь: 2.0
ЗНО-2020, додаткова сесія, питання 27.2
Електричне коло складається із джерела струму (1), вольтметра (2), вимикача (3), амперметра (4), резисторів R1, R2 та реостата R3. Вимірявши силу струму й напругу (див. фото 1), вимикач розімкнули (фото 2) і змінили опір реостата так, щоби показ амперметра збігся з попереднім.

Визначте опір резистора R1.
Відповідь запишіть в омах ($\mathrm{Ом}$).
Ілюстрація до питання 27.2
Правильна відповідь: 4.0
ЗНО-2021, додаткова сесія, питання 27.1
Електричне коло складається з гальванічного елемента (1), амперметра (2), перемикача (3) і двох резисторів А і Б. Опір резистора А дорівнює $1 \mathrm{~Ом}$, внутрішній опір гальванічного елемента дорівнює $0,8 \mathrm{~Ом}$. Опором амперметра й з'єднувальних провідників знехтуйте. Якщо змінювати положення перемикача, то покази амперметра змінюються.

Визначте напругу на полюсах гальванічного елемента, коли струм тече в резисторі A.
Відповідь запишіть у вольтах ($\mathrm{В}$)
Ілюстрація до питання 27.1
Правильна відповідь: 0.7
ЗНО-2019, пробна сесія, питання 31.1
Три провідники з опором $R_{1}=2 \mathrm{~Ом}$, $R_{2}=3 \mathrm{~Ом}$, $R_{3}=3 \mathrm{~Ом}$ з'єднані так, як показано на схемі. Показання вольтметра $\mathrm{V}_{2}$ становить $9 \mathrm{~В}$.

Визначте силу струму в ділянці кола, зображеній на рисунку.
Відповідь запишіть в амперах ($\mathrm{А}$).
Ілюстрація до питання 31.1
Правильна відповідь: 3.0
ЗНО-2019, пробна сесія, питання 31.2
Три провідники з опором $R_{1}=2 \mathrm{~Ом}$, $R_{2}=3 \mathrm{~Ом}$, $R_{3}=3 \mathrm{~Ом}$ з'єднані так, як показано на схемі. Показання вольтметра $\mathrm{V}_{2}$ становить $9 \mathrm{~В}$.

Визначте напругу між точками 1 і 2.
Відповідь запишіть у вольтах ($\mathrm{В}$).
Ілюстрація до питання 31.2
Правильна відповідь: 24.0
ЗНО-2017, додаткова сесія, питання 30
Однакові резистори з опором $7 \mathrm{~кОм}$ паралельно підключають до мережі з напругою $42 \mathrm{~В}$. Визначте максимально можливу кількість резисторів у колі, якщо сила струму не може бути більшою за $90 \mathrm{~мА}$.
Правильна відповідь: 15.0
ЗНО-2018, основна сесія, питання 36
Усі резистори в зображеному на рисунку електричному колі однакові. Визначте відношення напруги на полюсах джерела струму до напруги на резисторі 5.
Ілюстрація до питання 36
Правильна відповідь: 4.0
ЗНО-2015, пробна сесія, питання 29
У наведеному на рисунку електричному колі опори всіх резисторів однакові, опором джерела струму можна знехтувати. Визначте, у скільки разів збільшиться сила струму в електричному колі після замикання розімкненого ключа $K$.
Ілюстрація до питання 29
Правильна відповідь: 1.8
ЗНО-2011, основна сесія, питання 33
В електричному колі, схему якого зображено на рисунку, опір резисторів $R_{1}=30 \mathrm{~Ом}, R_{2}=60 \mathrm{~Ом}$, $R_{3}=30 \mathrm{~Ом}$ і $R_{4}=40 \mathrm{~Ом}$. Визначте напругу на резисторі $R_{4}$, якщо сила струму в резисторі $R_{3}$ дорівнює $20 \mathrm{~мА}$. Відповідь запишіть у вольтах.
Ілюстрація до питання 33
Правильна відповідь: 0.4
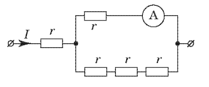
ЗНО-2011, пробна сесія, питання 33
Через ділянку кола (див. рисунок) проходить постійний струм $I = 4 \mathrm{~А}$. Визначте значення сили струму, що показує амперметр. Опором амперметра знехтуйте.
Відповідь запишіть у амперах.
Ілюстрація до питання 33
Правильна відповідь: 3.0
ЗНО-2013, основна сесія, питання 30
В електричному колі, схему якого зображено на рисунку, опори всіх резисторів однакові. Внутрішнім опором джерела струму можна знехтувати. Визначте, у скільки разів збільшиться сила струму в колі через джерело струму після замикання розімкненого ключа $K$.
Ілюстрація до питання 30
Правильна відповідь: 1.2
ЗНО-2013, додаткова сесія, питання 29
Шматок однорідного дроту розрізали на чотири однакових частини і з’єднали їх паралельно. Опір такої системи дротин виявився рівним $2 \mathrm{~Ом}$. Яким був опір дротини до того, як її розрізали?
Відповідь запишіть в омах.
Правильна відповідь: 32.0
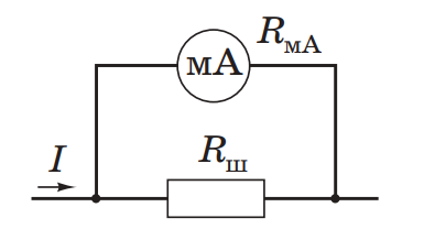
ЗНО-2014, основна сесія, питання 29
Щоб розширити межі вимірювання сили струму за допомогою амперметра, до нього паралельно під'єднують шунт – провідник з певним опором, через який проходить частина вимірюваного струму. Міліамперметр розраховано на вимірювання максимального струму $I_{\mathrm{MA}}=50 \mathrm{~мA}$; його внутрішній опір $R_{\mathrm{MA}}=10 \mathrm{~Ом}$. Обчисліть опір (у міліомах) шунта, який дає змогу вимірювати струм $I$ до $5 \mathrm{~А}$.
Відповідь округліть до цілих.
Ілюстрація до питання 29
Правильна відповідь: 101.0
ЗНО-2014, додаткова сесія, питання 29
Якої сили струм утворюється на ділянці кола, що складається з опорів $R_{1}=20 \mathrm{~Ом}$, $R_{2}=30 \mathrm{~Ом}$, $R_{3}=50 \mathrm{~Ом}$ (див. рисунок)? Спад напруги на ділянці $U=124 \mathrm{~В}$.
Відповідь запишіть в амперах.
Ілюстрація до питання 29
Правильна відповідь: 2.0
ЗНО-2010, додаткова сесія, питання 32
До ділянки кола, яка складається з чотирьох однакових резисторів та вольтметра, прикладена напруга $100 \mathrm{~В}$. Вважаючи опір вольтметра нескінченно великим, визначте значення напруги, що показує вольтметр (у вольтах).
Ілюстрація до питання 32
Правильна відповідь: 80.0
ЗНО-2010, додаткова сесія, питання 33
Із дроту, який мав опір $9 \mathrm{~Ом}$, зробили замкнений рівносторонній трикутник. До двох точок у кутах трикутника підключили батарею з електрорушійною силою $4,5 \mathrm{~В}$ і внутрішнім опором $1 \mathrm{~Ом}$. Визначте силу струму, що проходить через батарею.
Відповідь запишіть в амперах.
Правильна відповідь: 1.5
ЗНО-2010, основна сесія, питання 33
Через ділянку кола (див. рисунок) проходить постійний струм $I=10 \mathrm{~А}$. Визначте значення струму (в амперах), що показує амперметр. Опором амперметра знехтуйте.
Ілюстрація до питання 33
Правильна відповідь: 5.0
ЗНО-2008, додаткова сесія, питання 33
Електричне коло складається з гальванічного елемента (1), амперметра (2), вимикача (3) і двох резисторів. Опір резистора А дорівнює $1 \mathrm{~Ом}$. Якщо змінювати положення вимикача, то покази амперметра змінюються. Знайдіть опір (у $\mathrm{Ом}$) резистора Б, якщо внутрішній опір гальванічного елемента дорівнює $0,8 \mathrm{~Ом}$.
Ілюстрація до питання 33
Правильна відповідь: 2.0
ЗНО-2008, додаткова сесія-2, питання 33
Електричне коло складається з гальванічного елемента (1), амперметра (2), вимикача (3) і двох резисторів з опорами $1 \mathrm{~Ом}$ і $2 \mathrm{~Ом}$. Якщо змінювати положення вимикача, покази амперметра змінюються. Знайдіть внутрішній опір гальванічного елемента.
Ілюстрація до питання 33
Правильна відповідь: 0.8