← Назад до списку тем

Тема: Електричний струм у вакуумі. Електричний струм у напівпровідниках. Власна та домішкова електропровідність напівпровідників. Залежність опору напівпровідників від температури. Електронно-дірковий перехід. Напівпровідниковий діод. Транзистор.

ЗНО-2019, основна сесія, питання 16
Властивість $p$-$n$ переходу, яку застосовують у напівпровідникових діодах, це –
    А. зменшення опору під час нагрівання
    Б. зменшення опору під час освітлення
    В. одностороння провідність (правильна)
    Г. збільшення опору під час нагрівання
Складність: 42
ЗНО-2019, основна сесія, питання 23
Є два однакові фоторезистори: один – у темряві, другий – освітлений. На рисунку наведено графіки ($a$ та $б$) залежності сили струму $I$, що проходить крізь фоторезистор, від прикладеної напруги $U$. У таблиці правильну інформацію про графік, що відповідає освітленому фоторезистору, та опір цього фоторезистора порівняно з неосвітленим наведено в рядку
Ілюстрація до питання 23
    А. $a$ у 3 рази більший
    Б. $б$ у 3 рази більший
    В. $б$ у 3 рази менший
    Г. $a$ у 3 рази менший (правильна)
Складність: 21
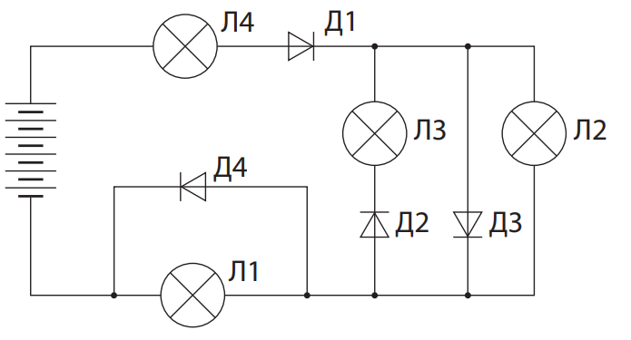
ЗНО-2019, пробна сесія, питання 16
Визначте, яка з лампочок $Л1$, $Л2$, $Л3$ або $Л4$, зображених на схемі електричного кола, може світитися. $Д1$, $Д2$, $Д3$, $Д4$ – ідеальні діоди.
Ілюстрація до питання 16
    А. $Л1$
    Б. $Л2$
    В. $Л3$
    Г. $Л4$ (правильна)
ЗНО-2020, пробна сесія, питання 13
З наведених тверджень щодо електричного струму в різних середовищах виберіть правильне.
    А. вільними носіями електричного заряду в газах є лише електрони
    Б. питомий опір напівпровідників з ростом температури зменшується (правильна)
    В. електропровідність металу зумовлено рухом електронів та йонів
    Г. під час проходження електричного струму через електроліт усі вільні носії заряду рухаються лише в один бік
ЗНО-2015, додаткова сесія, питання 12
Укажіть правильне схематичне зображення впорядкованого руху основних носіїв заряду в $p$-$n$-переході при прямому включенні.
    А. Ілюстрація до питання 12
    Б. Ілюстрація до питання 12 (правильна)
    В. Ілюстрація до питання 12
    Г. Ілюстрація до питання 12
ЗНО-2011, основна сесія, питання 14
Стержні з металу і напівпровідника охолоджують на $\Delta T$ градусів кожен. Що при цьому відбувається з опором стержнів?
    А. опір обох стержнів зменшиться
    Б. опір обох стержнів збільшиться
    В. опір стержня з металу зменшиться, а опір стержня з напівпровідника збільшиться (правильна)
    Г. опір стержня з металу збільшиться, а опір стержня з напівпровідника зменшиться
ЗНО-2011, додаткова сесія, питання 15
Який із графіків, зображених на рисунку, відповідає вольт-амперній характеристиці напівпровідникового діода, підключеного в прямому напрямку?
    А. Ілюстрація до питання 15
    Б. Ілюстрація до питання 15 (правильна)
    В. Ілюстрація до питання 15
    Г. Ілюстрація до питання 15
ЗНО-2011, пробна сесія, питання 14
Які з частинок є основними носіями заряду, що забезпечують струм у напівпровідниках $n$-типу?
    А. електрони (правильна)
    Б. протони
    В. нейтрони
    Г. «дірки»
ЗНО-2011, пробна сесія, питання 15
Під час термоелектронної емісії електрони набувають кінетичної енергії за рахунок
    А. опромінювання світлом.
    Б. дії електричного поля.
    В. бомбардування частинками.
    Г. нагрівання тіла. (правильна)
ЗНО-2012, основна сесія, питання 15
Укажіть, яке явище є термоелектронною емісією.
    А. йонізація нейтральних атомів під час зіткнення з електронами
    Б. вибивання електронів з катоду під час бомбардування його позитивними йонами
    В. випромінювання електронів катодом під час його нагрівання (правильна)
    Г. збільшення енергії вільних електронів під впливом електричного поля
ЗНО-2012, додаткова сесія, питання 16
Питомий опір напівпровідників зменшується з підвищенням температури, тому що
    А. збільшується кількість вільних електронів і дірок. (правильна)
    Б. зменшується кількість вільних електронів і дірок.
    В. збільшується кількість вільних йонів за рахунок посилення електролітичної дисоціації.
    Г. збільшується швидкість руху існуючих вільних електронів і дірок.
ЗНО-2010, пробна сесія, питання 15
Визначте основні носії електричних зарядів у напівпровідниках $p$-типу.
    А. позитивні йони
    Б. електрони
    В. «дірки» (правильна)
    Г. негативні йони
ЗНО-2007, основна сесія, питання 15
Укажіть, яке з перелічених явищ називається термоелектронною емісією:
    А. іонізація нейтральних атомів при зіткненні з електронами;
    Б. вибивання електронів з катоду при бомбардуванні його додатними іонами;
    В. випромінювання електронів катодом при його нагріванні; (правильна)
    Г. збільшення енергії вільних електронів під впливом електричного поля;
    Д. світіння розрідженого газу при проходженні через нього електричного струму
Складність: 54
ЗНО-2009, основна сесія, питання 15
Досліджуючи вольт-амперну характеристику суцільного шматка матеріалу, отримали зображений на рисунку результат. Визначте, який це міг бути матеріал.
Ілюстрація до питання 15
    А. Алюмінію
    Б. Залізо
    В. Слюда
    Г. Кремній (правильна)
Складність: 14
ЗНО-2019, основна сесія, питання 27
Установіть відповідність між назвою приладу або пристрою (1-4) та фізичною основою його дії (А – Д).
Зіставлення:
Варіанти зліва
1. термістор
2. сонячна батарея
3. вакуумний діод
4. стрілочний вольтметр
Варіанти справа
А. фотоефект
Б. електроліз
В. термоелектронна емісія
Г. залежність опору від температури
Д. магнітна дія електричного струму
А Б В Г Д
1
2
3
4
Складність: 45
ЗНО-2020, основна сесія, питання 23
Установіть відповідність між середовищем (1-4) і виявленими під час проходження через нього електричного струму закономірностями (А – Д).
Зіставлення:
Варіанти зліва
1. електроліт (розчин кухонної солі)
2. напівпровідник (силіцій)
3. метал (ртуть)
4. газ (аргон)
Варіанти справа
А. за яскравого освітлення електричний опір суттєво зменшується
Б. за охолодження до температури, що близька до абсолютного нуля, електричний опір зникає
В. проходження електричного струму супроводжується виділенням речовини на електродах
Г. за нагрівання до високої температури (понад $1000{ }^{\circ} \mathrm{C}$) середовище із діелектрика стає провідником
Д. магнітної дії струму не спостерігають
А Б В Г Д
1
2
3
4
Складність: 37
ЗНО-2015, основна сесія, питання 23
Установіть відповідність між середовищем і вільними носіями електричного заряду в ньому.
Зіставлення:
Варіанти зліва
1. метал
2. розчин електроліту
3. напівпровідник
4. плазма
Варіанти справа
А. вільні електрони та дірки
Б. вільні електрони та позитивні йони
В. лише вільні електрони
Г. вільні електрони та негативні йони
Д. позитивні та негативні йони
А Б В Г Д
1
2
3
4
ЗНО-2008, додаткова сесія, питання 28
Установіть відповідність між назвами середовищ і поняттями (термінами), що стосуються проходження електричного струму в цих середовищах:
Зіставлення:
Варіанти зліва
1. газ;
2. напівпровідник;
3. вакуум;
4. метал.
Варіанти справа
А. домішкова провідність;
Б. електроліз;
В. тліючий розряд;
Г. питомий опір;
Д. термоелектронна емісія
А Б В Г Д
1
2
3
4