Скачати цей тест

Всі тести у форматі PDF, презентації та Word документи для підготовки та викладання

Дізнатися більше
№ 1 НМТ-2025, основна сесія-1
Початкова координата тіла, що рухається вздовж осі $Ox$, дорівнює $10 \mathrm{~м}$, прискорення, з яким рухається тіло, становить $5 \mathrm{~м} / \mathrm{с}^{2}$, а початкова швидкість руху дорівнює $2,5 \mathrm{~м} / \mathrm{с}$. Яке рівняння, що описує рух тіла, може відповідати цим умовам?
Усі значення величин у рівняннях наведено в одиницях SI.
А
$x=10+2,5 t+2,5 t^{2}$
Правильна відповідь
Б
$x=5+10 t-2,5 t^{2}$
В
$x=2,5+10 t+5 t^{2}$
Г
$x=10+5 t-5 t^{2}$
№ 2 НМТ-2025, основна сесія-1
На якому рисунку зображено рухомі об’єкти, що НЕ перебувають у стані невагомості?
А
діти підстрибнули
Ілюстрація до варіанту А
Б
підлітки їдуть у ліфті, який повільно підіймається
Ілюстрація до варіанту Б Правильна відповідь
В
падають корок, пір'їнка й дріб
Ілюстрація до варіанту В
Г
космонавт у відкритому космосі
Ілюстрація до варіанту Г
№ 3 НМТ-2025, основна сесія-1
Повна механічна енергія літака, який рухається прямолінійно рівномірно, дорівнює $E$, а його кінетична енергія дорівнює потенціальній. Уважайте, що потенціальна енергія літака на поверхні Землі дорівнює нулю. Унаслідок виконання маневру швидкість літака зменшилася вдвічі, а його висота над поверхнею Землі вдвічі збільшилася. 
Повна механічна енергія літака після маневру дорівнює
А
$\Large\frac{3}{4} \normalsize E$
Б
$E$
В
$\Large\frac{9}{8} \normalsize E$
Правильна відповідь
Г
$\Large\frac{9}{4} \normalsize E$
№ 4 НМТ-2025, основна сесія-1
На рисунку зображено графік залежності тиску $\large p$ ідеального газу сталої маси від абсолютної температури $T$.
Як змінились об'єм газу й середня квадратична швидкість руху його молекул під час переходу зі стану 1 у стан 2?
Ілюстрація до питання 4
А
збільшився; зменшилася
Б
зменшився; зменшилася
Правильна відповідь
В
не змінився; зменшилася
Г
зменшився; збільшилася
№ 5 НМТ-2025, основна сесія-1
Унаслідок адіабатного стискання поршнем газу в циліндрі внутрішня енергія газу змінилася на $50 \mathrm{~Дж}$.
Чи відбувся теплообмін між газом у циліндрі й навколишнім середовищем? Яке значення роботи $A$, яку виконує газ під час його стискання?
А
теплообміну немає; $A=50 \mathrm{~Дж}$
Б
теплообмін є; $A=-50 \mathrm{~Дж}$
В
теплообмін є; $A=50 \mathrm{~Дж}$
Г
теплообміну немає; $A=-50 \mathrm{~Дж}$
Правильна відповідь
№ 6 НМТ-2025, основна сесія-1
Позитивний точковий заряд $q$ перемістили по замкненій траєкторії $ABCDA$ в електростатичному полі точкового негативного заряду $q_{0}$ (див. рисунок).
На якій ділянці робота поля з переміщення заряду була від'ємна? Уважайте, що ділянки $AB$ і $CD$ – це дуги концентричних кіл; усі елементи рисунка лежать в одній площині.
Ілюстрація до питання 6
А
$DA$
Б
$AB$
В
$BC$
Правильна відповідь
Г
$CD$
№ 7 НМТ-2025, основна сесія-1
Електронагрівальний пристрій, увімкнений у мережу, напруга в якій стала, споживає певну потужність.
Якщо спіраль пристрою вкоротити й увімкнути його в цю ж мережу, то спожита потужність буде
А
більшою, оскільки опір зменшиться.
Правильна відповідь
Б
меншою, оскільки опір збільшиться.
В
меншою, оскільки опір зменшиться.
Г
більшою, оскільки опір збільшиться.
№ 8 НМТ-2025, основна сесія-1
У котушку з мідного дроту, замкнену на гальванометр, вводять магніт північним полюсом. Під час руху магніту гальванометр реєструє струм. Після цього під час виведення цього магніту з котушки гальванометр реєструє струм протилежного напрямку.
Як взаємодіють котушка з магнітом у цих ситуаціях?
А
у першій притягуються, у другій відштовхуються
Б
у першій відштовхуються, у другій притягуються
Правильна відповідь
В
у першій і другій притягуються
Г
у першій і другій відштовхуються
№ 9 НМТ-2025, основна сесія-1
На рисунку зображено нитяні маятники, які можна вважати математичними. Період малих вільних коливань маятника $M$ дорівнює $1,6 \mathrm{~с}$. Позначте маятник, період малих вільних коливань якого дорівнює $1,2 \mathrm{~с}$. Вважайте, що відстані між лініями сітки рівні.
Ілюстрація до питання 9
А
маятник 1
Б
маятник 2
Правильна відповідь
В
маятник 3
Г
маятник 4
№ 10 НМТ-2025, основна сесія-1
Яке явище чи особливість характерні для електромагнітних хвиль, але яких немає у звукових хвилях?
А
інтерференція когерентних хвиль
Б
огинання хвилями перешкод
В
здатність поширюватись у вакуумі
Правильна відповідь
Г
здатність відбиватися від перешкоди
№ 11 НМТ-2025, основна сесія-1
Довжина хвилі видимого випромінювання належить діапазону від $380$ до $740\mathrm{~нм}$ (див. рисунок).
Визначте колір променів, фотони яких мають енергію в $1,1$ раза більшу, ніж фотони променів блакитного кольору.
Ілюстрація до питання 11
А
фіолетовий
Б
синій
Правильна відповідь
В
зелений
Г
жовтий
№ 12 НМТ-2025, основна сесія-1
Ядро нукліда Нітрогену $_{7}^{14} \mathrm{~N}$ поглинуло $\beta$-частинку. Унаслідок цієї реакції ядро нукліда втратило протон й утворилося ядро атома елемента $X$.
Позначте порядковий номер, який елемент $X$ має в періодичній таблиці.
А
$5$
Правильна відповідь
Б
$6$
В
$10$
Г
$12$
№ 13 НМТ-2025, основна сесія-1
До початку речення (А-Д) доберіть його закінчення (1-4) так, щоб утворилося правильне твердження.
Варіанти зліва
1
дорівнює нулю.
2
збільшується.
3
зменшується.
4
не змінюється (не дорівнює нулю).
Варіанти справа
А
Зі збільшенням кута нахилу похилої площини сила тертя спокою, яка діє на нерухоме тіло, ...
Б
Робота сили тяжіння, яка діє на автомобіль, що рухається горизонтальною дорогою, ...
В
Під час руху Землі навколо Сонця по траєкторії, яку вважаємо колом, модуль сили їхньої взаємодії ...
Г
Сила пружності, яка діє з боку рейок на бокову поверхню коліс, коли швидкість руху поїзда на повороті стає меншою, ...
Д
Сила натягу нитки за час одного повного коливання на ній кульки ...
Правильні відповіді
1 Б
2 А
3 Г
4 В
№ 14 НМТ-2025, основна сесія-1
Установіть відповідність між фізичним терміном (1-4), що стосується особливостей проходження електричного струму в різних середовищах, і назвою можливого середовища (А-Д), яке схарактеризовано цим терміном.
Варіанти зліва
1
p-n перехід
2
іскровий розряд
3
надпровідність
4
гальванопластика
Варіанти справа
А
метали
Б
напівпровідники
В
вакуум
Г
гази
Д
електроліти
Правильні відповіді
1 Б
2 Г
3 А
4 Д
№ 15 НМТ-2025, основна сесія-1
Барабан пральної машини робить 900 обертів за хвилину. Визначте частоту його обертання.
Відповідь запишіть у секундах у мінус першому степені ($\mathrm{с}^{-1}$)
Правильна відповідь: 15.0
№ 16 НМТ-2025, основна сесія-1
У вертикальній трубці з відкритим верхнім кінцем міститься стовпчик ртуті (див. рисунок 1). Відомо, що надлишковий тиск повітря під ртуттю дорівнює $20\mathrm{~кПа}$. Трубку повертають у вертикальній площині на кут $180^{\circ}$ (див. рисунок 2). Визначте, яким стане після цього тиск повітря в трубці.
Уважайте, що атмосферний тиск дорівнює $100\mathrm{~кПа}$.
Відповідь запишіть у кілопаскалях ($\mathrm{кПа}$)
Ілюстрація до питання 16
Правильна відповідь: 80.0
№ 17 НМТ-2025, основна сесія-1
Гумова нитка площею перерізу $1{,}5\mathrm{~мм}^2$ і $60\mathrm{~см}$ завдовжки під дією тягарця масою $100\mathrm{~г}$ видовжилася на $2\mathrm{~см}$. Обчисліть значення модуля Юнга для гуми.
Вважайте, що прискорення вільного падіння дорівнює $10\mathrm{~м} / \mathrm{с}^{2}$.
Відповідь запишіть у мегапаскалях ($\mathrm{МПа}$).
Правильна відповідь: 20.0
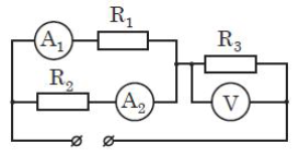
№ 18 НМТ-2025, основна сесія-1
На рисунку зображено схему електричного кола. Покази амперметрів такі: $I_1=0,6\mathrm{~А}$, $I_2=0,4\mathrm{~А}$. Яку напругу покаже вольтметр, якщо $R_3=2 \mathrm{~Ом}$?
Амперметри й вольтметр уважайте ідеальними.
Відповідь запишіть у вольтах ($\mathrm{B}$)
Ілюстрація до питання 18
Правильна відповідь: 2.0
№ 19 НМТ-2025, основна сесія-1
На рисунку зображено предмет перед розсіювальною лінзою.
Визначте висоту зображення, яке дає лінза, якщо висота предмета $4,5\mathrm{~см}$.
Відповідь запишіть у сантиметрах ($\mathrm{см}$)
Ілюстрація до питання 19
Правильна відповідь: 1.5
№ 20 НМТ-2025, основна сесія-1
Унаслідок випускання електромагнітного випромінювання маса зорі протягом певного короткого часу зменшилася на $4\mathrm{~мкг}$. Визначте енергію випромінювання зорі, випущеного за цей час.
Швидкість світла у вакуумі дорівнює $3\cdot 10^{8}\mathrm{~м} / \mathrm{с}^{2}$.
Відповідь запишіть у мегаджоулях ($\mathrm{МДж}$).
Правильна відповідь: 360.0