Скачати цей тест

Всі тести у форматі PDF, презентації та Word документи для підготовки та викладання

Дізнатися більше
№ 1 ЗНО-2009, основна сесія
Рух тіла описано рівнянням $x=4-3 t+2 t^{2}$, де всі величини виражено в одиницях SI. Визначте проекцію швидкості тіла на вісь $O X$ через 2 секунди після початку руху.
А
$-6 \mathrm{~м} / \mathrm{с}$
Б
$5 \mathrm{~м} / \mathrm{с}$
Правильна відповідь
В
$6 \mathrm{~м} / \mathrm{с}$
Г
$8 \mathrm{~м} / \mathrm{с}$
№ 2 ЗНО-2009, основна сесія
За поданим графіком залежності координати тіла від часу визначте можливий графік залежності проєкції швидкості цього тіла від часу.
Ілюстрація до питання 2
А
Ілюстрація до варіанту А Правильна відповідь
Б
Ілюстрація до варіанту Б
В
Ілюстрація до варіанту В
Г
Ілюстрація до варіанту Г
№ 3 ЗНО-2009, основна сесія
Вантаж масою $5,19 \mathrm{~кг}$ підвішено до невагомих стержнів (див. рисунок). 3'єднання в точках $A, B, C$ є шарнірними. Довжина стержня $A B$ становить $70 \mathrm{~см}$, довжина стержня $B C-35 \mathrm{~см}$. Визначте силу, що стискає стержень $A B$. Уважайте, що $g=10 \mathrm{~м} / \mathrm{с}^{2}, \sqrt{3}=1,73$.
Ілюстрація до питання 3
А
$20 \mathrm{~Н}$
Б
$30 \mathrm{~Н}$
В
$50 \mathrm{~Н}$
Г
$60 \mathrm{~Н}$
Правильна відповідь
№ 4 ЗНО-2009, основна сесія
Брусок тягнуть угору похилою площиною. Рух бруска є рівномірним. Визначте ККД цієї похилої площини, якщо її довжина дорівнює $0,5 \mathrm{~м}$, а висота – $0,2 \mathrm{~м}$. Результати зважування бруска подано на фото, розміщеному праворуч. Уважайте, що $g=10 \mathrm{~м} / \mathrm{с}^{2}$.
Ілюстрація до питання 4
Додаткова ілюстрація до питання 4.0
А
$85\ \%$
Б
$80\ \%$
Правильна відповідь
В
$75\ \%$
Г
$50\ \%$
№ 5 ЗНО-2009, основна сесія
Пластилінова кулька вільно падає на підлогу без початкової швидкості. Укажіть графік, що відображає залежність потенціальної енергії цієї кульки від часу.
А
Ілюстрація до варіанту А
Б
Ілюстрація до варіанту Б
В
Ілюстрація до варіанту В Правильна відповідь
Г
Ілюстрація до варіанту Г
№ 6 ЗНО-2009, основна сесія
Повітряну кулю об'ємом $200 \mathrm{~м}^{3}$ наповнено теплим повітрям. Куля з підвішеним до неї вантажем плаває на невеликій висоті над землею, де густина зовнішнього повітря дорівнює $1,3 \mathrm{~кг}/\mathrm{м}^{3}$. Загальна маса оболонки кулі та вантажу, що підвішений до кулі, становить $100 \mathrm{~кг}$. Визначте густину повітря всередині кулі.
А
$1,25 \mathrm{~кг} / \mathrm{м}^{3}$
Б
$0,8 \mathrm{~кг} / \mathrm{м}^{3}$
Правильна відповідь
В
$0,5 \mathrm{~кг} / \mathrm{м}^{3}$
Г
$0,05 \mathrm{~кг} / \mathrm{м}^{3}$
№ 7 ЗНО-2009, основна сесія
Визначте, під час якого із зазначених процесів з певною масою газу концентрація молекул газу не змінюється.
А
Ізохорний процес
Правильна відповідь
Б
Ізотермічний процес
В
Адіабатний процес
Г
Ізобарний процес
№ 8 ЗНО-2009, основна сесія
Початковий об'єм газу становить $60 \mathrm{~л}$. Визначте, яким стане об'єм цієї маси газу, якщо абсолютна температура підвищиться від $300 \mathrm{~К}$ до $450 \mathrm{~К}$, а тиск зменшиться в 2 рази.
А
$20 \mathrm{~л}$
Б
$45 \mathrm{~л}$
В
$80 \mathrm{~л}$
Г
$180 \mathrm{~л}$
Правильна відповідь
№ 9 ЗНО-2009, основна сесія
Температура нагрівника ідеальної теплової машини дорівнює $527^{\circ} \mathrm{C}$, а температура холодильника становить $7^{\circ} \mathrm{C}$. Визначте, яку кількість теплоти має передати нагрівник робочому тілу, щоб машина виконала корисну роботу, що дорівнює $5,2 \mathrm{~кДж}$.
А
$0,07 \mathrm{~кДж}$
Б
$3,4 \mathrm{~кДж}$
В
$5,27 \mathrm{~кДж}$
Г
$8 \mathrm{~кДж}$
Правильна відповідь
№ 10 ЗНО-2009, основна сесія
Відносна вологість повітря в закритому балоні дорівнювала $60\ \%$ за температури $30^{\circ} \mathrm{C}$. Визначте відносну вологість повітря в балоні після охолодження повітря до $11^{\circ} \mathrm{C}$.
А
$20\ \%$
Б
$60\ \%$
В
$66\ \%$
Г
$100\ \%$
Правильна відповідь
№ 11 ЗНО-2009, основна сесія
Уважаючи електричне поле у проміжку між контактами батареї гальванічних елементів «Крона» однорідним, визначте модуль напруженості цього поля. ЕРС батареї дорівнює $9 \mathrm{~В}$. Відстань між контактами становить $6 \mathrm{~мм}$.
А
$9 \mathrm{~B} / \mathrm{м}$
Б
$540 \mathrm{~B} / \mathrm{м}$
В
$1,5 \mathrm{~кB} / \mathrm{м}$
Правильна відповідь
Г
$9 \mathrm{~кB} / \mathrm{м}$
№ 12 ЗНО-2009, основна сесія
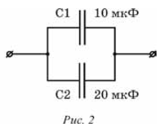
Два конденсатори ємністю $10 \mathrm{~мкФ}$ і $20 \mathrm{~мкФ}$ були з'єднані в батарею за схемою, зображеною на рисунку 1. Потім ці самі конденсатори з'єднали за схемою, зображеною на рисунку 2. Визначте, як змінилася ємність батареї конденсаторів у результаті такої зміни їхнього з'єднання.
Ілюстрація до питання 12
Додаткова ілюстрація до питання 12.0
А
збільшилася в 4,5 раза
Правильна відповідь
Б
збільшилася в 4 рази
В
зменшилася в 4 рази
Г
зменшилася в 4,5 раза
№ 13 ЗНО-2009, основна сесія
Два однакових конденсатори заряджені до напруги $200 \mathrm{~В}$. Один із них розрядили за допомогою резистора. У результаті протікання розрядного струму резистор нагрівся на $5^{\circ} \mathrm{C}$. Інший конденсатор розряджають через два такі самі резистори, з'єднані паралельно. На скільки градусів нагріються резистори у другому випадку? Уважайте, що вся енергія електричного поля конденсатора перетворюється на внутрішню енергію резисторів.
А
$25^{\circ} \mathrm{C}$
Б
$10^{\circ} \mathrm{C}$
В
$5^{\circ} \mathrm{C}$
Г
$2,5^{\circ} \mathrm{C}$
Правильна відповідь
№ 14 ЗНО-2009, основна сесія
Ділянка електричного кола складається з трьох однакових резисторів та вимикача (див. рисунок). Коли вимикач розімкнено, опір ділянки дорівнює $6 \mathrm{~Ом}$. Визначте, яким буде опір ділянки електричного кола після замикання вимикача.
Ілюстрація до питання 14
А
$3 \mathrm{~Ом}$
Б
$4,5 \mathrm{~Ом}$
Правильна відповідь
В
$6 \mathrm{~Ом}$
Г
$9 \mathrm{~Ом}$
№ 15 ЗНО-2009, основна сесія
Досліджуючи вольт-амперну характеристику суцільного шматка матеріалу, отримали зображений на рисунку результат. Визначте, який це міг бути матеріал.
Ілюстрація до питання 15
А
Алюмінію
Б
Залізо
В
Слюда
Г
Кремній
Правильна відповідь
№ 16 ЗНО-2009, основна сесія
Електрична лампа ліхтаря з вольфрамовою ниткою розжарення, що живиться від акумулятора напругою $12 \mathrm{~В}$, має потужність $24 \mathrm{~Вт}$. Обчисліть кількість електронів, які проходять через нитку розжарення лампи щосекунди. Елементарний електричний заряд дорівнює $1,6 \cdot 10^{-19} \mathrm{~Кл}$.
А
$0,8 \cdot 10^{19}$
Б
$1,25 \cdot 10^{19}$
Правильна відповідь
В
$1,6 \cdot 10^{19}$
Г
$3,2 \cdot 10^{19}$
№ 17 ЗНО-2009, основна сесія
Мідний провідник, маса якого дорівнює $2 \mathrm{~г}$, довжина – $10 \mathrm{~см}$, уміщений горизонтально в однорідне магнітне поле з індукцією $20 \mathrm{~мТл}$. Вектор магнітної індукції горизонтальний і перпендикулярний до провідника. Визначте силу струму, яка повинна бути у провіднику, щоб він «завис» у магнітному полі. Уважайте, що $g=10 \mathrm{~м} / \mathrm{с}^{2}$.
А
$0,1 \mathrm{~A}$
Б
$10 \mathrm{~А}$
Правильна відповідь
В
$20 \mathrm{~А}$
Г
$10\ 000 \mathrm{~А}$
№ 18 ЗНО-2009, основна сесія
У повітрі поширюється звукова хвиля з частотою $1,7 \mathrm{~кГц}$. Визначте довжину хвилі, якщо швидкість звуку в повітрі дорівнює $340 \mathrm{~м} / \mathrm{с}$.
А
$5 \mathrm{~cм}$
Б
$20 \mathrm{~cм}$
Правильна відповідь
В
$58 \mathrm{~cм}$
Г
$580 \mathrm{~cм}$
№ 19 ЗНО-2009, основна сесія
Посудина з водою, у дні якої є невеликий отвір, здійснює вертикальні коливання на пружині. Початковий період коливань дорівнює $4 \mathrm{~c}$. Вода потроху витікає. Визначте, яким буде період коливань, коли маса посудини з водою зменшиться в 4 рази.
А
$16 \mathrm{~c}$
Б
$1 \mathrm{~c}$
В
$4 \mathrm{~c}$
Г
$2 \mathrm{~c}$
Правильна відповідь
№ 20 ЗНО-2009, основна сесія
Частота вільних коливань у коливальному контурі з ідеальних конденсатора та котушки дорівнює $2 \mathrm{~кГц}$. Ті самі конденсатор і котушку з'єднали послідовно та підключили до джерела змінного струму. Визначте, як змінюватиметься амплітудне значення сили струму $I_{\text{м}}$ в колі, якщо частоту змінного струму повільно збільшувати від 1 до $3 \mathrm{~кГц}$. Амплітуда напруги є сталою.
А
$I_{\mathrm{м}}$ весь час зростатиме
Б
$I_{\mathrm{м}}$ весь час зменшуватиметься
В
$I_{\mathrm{м}}$ зростатиме, а потім зменшуватиметься
Правильна відповідь
Г
$I_{\mathrm{м}}$ зменшуватиметься, а потім зростатиме
№ 21 ЗНО-2009, основна сесія
Індуктивність котушки коливального контура дорівнює $20 \mathrm{~мГн}$. Визначте ємність конденсатора, якщо максимальна напруга на ньому становить $80 \mathrm{~В}$, а максимальна сила струму в котушці дорівнює $2 \mathrm{~А}$. Коливання в контурі вважайте незатухаючими.
А
$2,5 \mathrm{~мкФ}$
Б
$7,5 \mathrm{~мкФ}$
В
$12,5 \mathrm{~мкФ}$
Правильна відповідь
Г
$20 \mathrm{~мкФ}$
№ 22 ЗНО-2009, основна сесія
Увечері від хлопчика, який знаходиться неподалік ліхтарного стовпа, на землі утворилася тінь. Якщо хлопчик відійде на $1 \mathrm{~м}$ від ліхтарного стовпа, тінь хлопчика стане довшою на $50 \mathrm{~см}$. Визначте висоту ліхтаря над землею, якщо зріст хлопчика дорівнює $1,5 \mathrm{~м}$. Ліхтар закріплено на верхівці стовпа.
А
$3 \mathrm{~м}$
Б
$3,5 \mathrm{~м}$
В
$4 \mathrm{~м}$
Г
$4,5 \mathrm{~м}$
Правильна відповідь
№ 23 ЗНО-2009, основна сесія
Тіло отримало внаслідок теплопровідності кількість теплоти $Q$ і внаслідок випромінювання втратило енергію $\frac{2}{3} Q$. Визначте, як змінилася маса спокою тіла. Швидкість світла у вакуумі дорівнює с.
А
зменшилася на $\frac{Q}{3 \mathrm{~c}^{2}}$
Б
зменшилася на $\frac{5 Q}{3 \mathrm{~c}^{2}}$
В
збільшилася на $\frac{Q}{3 \mathrm{~c}^{2}}$
Правильна відповідь
Г
збільшилася на $\frac{5 Q}{3 \mathrm{~c}^{2}}$
№ 24 ЗНО-2009, основна сесія
Речовину по черзі опромінюють пучками різних частинок, що мають невелику кінетичну енергію. Визначте, які з цих частинок можуть бути захоплені ядрами атомів.
А
$\alpha$-частинки
Б
електрони
В
протони
Г
нейтрони
Правильна відповідь
№ 25 ЗНО-2009, основна сесія
Унаслідок ядерної реакції між ядрами Дейтерію ${ }_{1}^{2} \mathrm{H}$ і Молібдену ${ }_{42}^{99}$ Мо утворилося ядро Технецію ${ }_{43}^{99} \mathrm{~Tс}$. Укажіть, яка частинка утворилася в результаті цієї реакції.
А
${ }_{1}^{1} p$
Б
${ }_{2}^{4} \mathrm{He}$
В
${ }_{-1}^{0} e$
Г
${ }_{0}^{1} n$
Правильна відповідь
№ 26 ЗНО-2009, основна сесія
Установіть відповідність між процесами та формулами, що їх описують.
Варіанти зліва
1
Розтягується гумова нитка.
2
Тіло падає на землю.
3
Черевик ковзає по підлозі.
4
М'яч плаває на поверхні озера.
Варіанти справа
А
$A=m g h$
Б
$E=\frac{k x^{2}}{2}$
В
$F=\mu N$
Г
$F_{1} l_{1}=F_{2} l_{2}$
Д
$F=\rho g V$
Правильні відповіді
1 Б
2 А
3 В
4 Д
№ 27 ЗНО-2009, основна сесія
На рисунку зображено графік залежності механічної напруги $\sigma$ в мідному дроті від відносного видовження дроту $\frac{\Delta l}{l_{0}}$. Установіть відповідність між точками $\boldsymbol{K}, \boldsymbol{L}, \boldsymbol{M}, \boldsymbol{N}$ на графіку і характером деформації дроту.
Ілюстрація до питання 27
Варіанти зліва
1
точка $\boldsymbol{K}$
2
точка $\boldsymbol{L}$
3
точка $\boldsymbol{M}$
4
точка $\boldsymbol{N}$
Варіанти справа
А
Деформація непружна, спостерігається текучість.
Б
Деформація пружна, закон Гука не виконується.
В
Деформація непружна, закон Гука виконується.
Г
Деформація пружна, закон Гука виконується.
Д
Деформація непружна, відповідає границі міцності.
Правильні відповіді
1 Г
2 Б
3 А
4 Д
№ 28 ЗНО-2009, основна сесія
Установіть відповідність між указаними діями та результатами (можливими змінами опору провідника).
Варіанти зліва
1
Неізольований металевий дріт склали удвоє
2
Неізольований металевий дріт протягли через волочильний верстат: довжина дроту збільшилася у 2 рази, а маса не змінилася
3
На неізольованому металевому дроті нарізали різьбу, у результаті цього площа його поперечного перерізу зменшилася вдвічі по всій довжині
4
Неізольований металевий дріт вкрили ізоляцією
Варіанти справа
А
Опір провідника не змінився
Б
Опір провідника збільшився в 4 рази
В
Опір провідника збільшився в 2 рази
Г
Опір провідника зменшився в 4 рази
Д
Опір провідника зменшився до нуля
Правильні відповіді
1 Г
2 Б
3 В
4 А
№ 29 ЗНО-2009, основна сесія
У мішку з піском масою $1 \mathrm{~кг}$, що висить на легкому підвісі завдовжки $10 \mathrm{~м}$, застряє куля масою $10 \mathrm{~г}$, яка летіла горизонтально зі швидкістю $1010 \mathrm{~м}/\mathrm{с}$. Визначте кут, на який відхилиться підвіс від вертикалі. Вважайте, що $g=10 \mathrm{~м} / \mathrm{с}^{2}$.
Відповідь запишіть у градусах.
Правильна відповідь: 60.0
№ 30 ЗНО-2009, основна сесія
Визначте кількість теплоти, яку отримав ідеальний газ під час процесу, зображеного на графіку. Урахуйте, що внутрішня енергія ідеального газу залежить тільки від його температури.
Відповідь запишіть у джоулях.
Ілюстрація до питання 30
Правильна відповідь: 200.0
№ 31 ЗНО-2009, основна сесія
Електричне коло складається з гальванічного елемента (1) з внутрішнім опором $0,5 \mathrm{~Ом}$, магазину резисторів (2), реостата (3) та амперметра (4). Проведено два досліди (див. фотографії). Визначте кількість теплоти, що виділялася за $1 \mathrm{~хв}$ у обмотці реостата під час досліду 1. Опір реостата в обох дослідах однаковий. Результат запишіть у джоулях.

Довідка: магазин резисторів являє собою чотири послідовно з'єднані дротяні спіралі, опори яких дорівнюють $1 \mathrm{~Ом}$, $2 \mathrm{~Ом}$, $2 \mathrm{~Ом}$, $5 \mathrm{~Ом}$. Кожна спіраль може вмикатися в електричне коло чи вимикатися з нього шляхом видалення чи встановлення спеціальної металевої перемички. Коли всі перемички вставлені, загальний опір магазину можна вважати рівним нулю, коли всі видалені – рівним $10 \mathrm{~Ом}$.
Ілюстрація до питання 31
Додаткова ілюстрація до питання 31.0
Правильна відповідь: 15.0
№ 32 ЗНО-2009, основна сесія
Під час роботи електродвигуна постійного струму сила струму в обмотці його ротора дорівнює $1 \mathrm{~А}$. Якщо зупинити обертання ротора, сила струму в його обмотці збільшиться до $10 \mathrm{~А}$. Визначте частку електричної енергії, що витрачається на нагрівання обмотки ротора під час його обертання. Напругу в мережі, від якої живиться електродвигун, вважайте сталою.
Правильна відповідь: 0.1
№ 33 ЗНО-2009, основна сесія
У електричному колі, зображеному на рисунку, внутрішній опір джерела струму дорівнює $1 \mathrm{~Ом}$, повний опір реостата дорівнює $6 \mathrm{~Ом}$, активний опір котушки дорівнює $2 \mathrm{~Ом}$. Спочатку ковзний контакт реостата знаходився в крайньому лівому положенні, а ключ – у положенні 1. Коли ключ перевели в положення 2, у конденсаторі та котушці виникли вільні електромагнітні коливання. Визначте, у скільки разів збільшиться початкова амплітуда коливань, якщо встановити опір реостата рівним $3 \mathrm{~Ом}$ та повторити дослід.
Ілюстрація до питання 33
Правильна відповідь: 1.5
№ 34 ЗНО-2009, основна сесія
На рисунку показано пучок монохроматичного світла, що проходить через дифракційну ґратку Д, яка має 1250 штрихів на один міліметр. Визначте довжину хвилі світла. Вважайте, що $\sqrt{2}=1,41$.
Відповідь запишіть у нанометрах.
Ілюстрація до питання 34
Правильна відповідь: 564.0
№ 35 ЗНО-2009, основна сесія
Монохроматичне світло падає на поверхні двох різних металів. Для першого з них робота виходу електронів дорівнює $1,1 \mathrm{~еВ}$, а для другого вона дорівнює $2,9 \mathrm{~еВ}$. Визначте максимальну швидкість фотоелектронів, що вилітають із другого металу, якщо для першого металу ця швидкість дорівнює $1000 \mathrm{~км} / \mathrm{с}$. Вважайте, що маса електрона дорівнює $9 \cdot 10^{-31} \mathrm{~кг}$, $1 \mathrm{~eB}=1,6 \cdot 10^{-19} \mathrm{~Дж}$.
Відповідь запишіть у кілометрах за секунду.
Правильна відповідь: 600.0