← Назад до списку формул

Формула: $\frac{1}{R}=\frac{1}{R_{1}}+\frac{1}{R_{2}}+\cdots+\frac{1}{R_{n}}$ (Опір при паралельному з'єднанні)

ЗНО-2019, основна сесія, питання 14
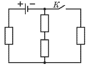
Сила струму під час його проходження ділянкою кола, зображеної на рисунку, найбільша в резисторі з опором
Ілюстрація до питання 14
    А. $3 \mathrm{~Ом}$
    Б. $6 \mathrm{~Ом}$
    В. $8 \mathrm{~Ом}$ (правильна)
    Г. $24 \mathrm{~Ом}$
Складність: 13
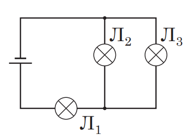
ЗНО-2020, основна сесія, питання 13
Елементами електричного кола (див. схему) є три однакові лампи. Як зміниться яскравість світіння ламп $Л_{1}$ і $Л_{3}$, якщо лампа $Л_{2}$ вийде з ладу?
Ілюстрація до питання 13
    А. лампи $Л_{1}$ та $Л_{3}$ світитимуть яскравіше
    Б. лампи $Л_{1}$ та $Л_{3}$ світитимуть слабше
    В. лампа $Л_{1}$ світитиме слабше, а $Л_{3}$ – яскравіше (правильна)
    Г. лампа $Л_{1}$ світитиме яскравіше, а $Л_{3}$ – слабше
Складність: 22
ЗНО-2019, додаткова сесія, питання 14
Найвищою з-поміж зображених на рисунку резисторів є напруга на резисторі з опором
Ілюстрація до питання 14
    А. $2 \mathrm{~Ом}$
    Б. $3 \mathrm{~Ом}$ (правильна)
    В. $8 \mathrm{~Ом}$ (правильна)
    Г. $9 \mathrm{~Ом}$
ЗНО-2017, основна сесія, питання 11
Яка мінімальна кількість резисторів з опором по $12 \mathrm{~кОм}$ знадобиться, щоб замінити один резистор з опором $16 \mathrm{~кОм}$?
    А. 3
    Б. 4 (правильна)
    В. 6
    Г. 7
ЗНО-2016, пробна сесія, питання 10
Ділянка електричного кола складається з чотирьох однакових резисторів та вимикача $K$ (див. рисунок). Коли вимикач замкнено, опір ділянки кола дорівнює $16 \mathrm{~Ом}$. Визначте, яким буде опір цієї ділянки кола після розмикання вимикача $K$.
Ілюстрація до питання 10
    А. $8 \mathrm{~Ом}$
    Б. $12 \mathrm{~Ом}$
    В. $24 \mathrm{~Ом}$ (правильна)
    Г. $32 \mathrm{~Ом}$
ЗНО-2015, додаткова сесія, питання 11
До ділянки кола, що складається з чотирьох однакових резисторів та ідеального вольтметра, прикладено напругу $100 \mathrm{~В}$. Визначте показники вольтметра.
Ілюстрація до питання 11
    А. $20 \mathrm{~B}$
    Б. $40 \mathrm{~B}$
    В. $60 \mathrm{~B}$
    Г. $80 \mathrm{~B}$ (правильна)
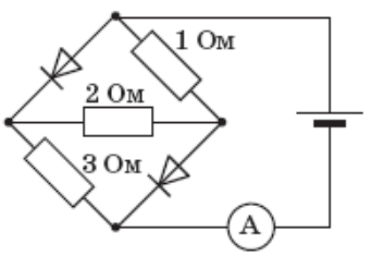
ЗНО-2011, основна сесія, питання 16
В електричному колі, схему якого зображено на рисунку, амперметр показує значення сили струму $4,4 \mathrm{~А}$. Яке значення сили струму покаже амперметр, якщо змінити полярність джерела струму? Внутрішнім опором джерела і амперметра знехтуйте. Опір діода, увімкненого в прямому напрямку, вважайте рівним нулю.
Ілюстрація до питання 16
    А. $0,4 \mathrm{~А}$ (правильна)
    Б. $0,7 \mathrm{~А}$
    В. $1 \mathrm{~А}$
    Г. $8,1 \mathrm{~А}$
ЗНО-2015, основна сесія, питання 11
Як потрібно з'єднати три однакові резистори опором по $4 \mathrm{~Ом}$, щоб отримати ділянку електричного кола з опором $6 \mathrm{~Ом}$?
    А. Ілюстрація до питання 11 (правильна)
    Б. Ілюстрація до питання 11
    В. Ілюстрація до питання 11
    Г. Ілюстрація до питання 11
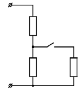
ЗНО-2009, основна сесія, питання 14
Ділянка електричного кола складається з трьох однакових резисторів та вимикача (див. рисунок). Коли вимикач розімкнено, опір ділянки дорівнює $6 \mathrm{~Ом}$. Визначте, яким буде опір ділянки електричного кола після замикання вимикача.
Ілюстрація до питання 14
    А. $3 \mathrm{~Ом}$
    Б. $4,5 \mathrm{~Ом}$ (правильна)
    В. $6 \mathrm{~Ом}$
    Г. $9 \mathrm{~Ом}$
Складність: 28
ЗНО-2009, додаткова сесія, питання 28
У зображеному на рисунку електричному колі ключ розімкнено. Розгляньте схему та встановіть відповідність між твердженнями. Вимірювальні прилади вважайте ідеальними.
Ілюстрація до питання 28
Зіставлення:
Варіанти зліва
1. Викрутили об́идві лампочки.
2. Ковзний контакт реостата посунули ліворуч.
3. Замкнули ключ.
4. Викрутили одну лампочку.
Варіанти справа
А. Показ амперметра зменшиться (не до нуля),
Б. Показ амперметра збільшиться, а показ вольтметра зменшиться.
В. Показ амперметра збільшиться, показ вольтметра не зміниться.
Г. Перегорить плавкий запобіжник.
Д. Показ амперметра зменшиться, показ вольтметра не зміниться.
А Б В Г Д
1
2
3
4
ЗНО-2020, додаткова сесія, питання 27.2
Електричне коло складається із джерела струму (1), вольтметра (2), вимикача (3), амперметра (4), резисторів R1, R2 та реостата R3. Вимірявши силу струму й напругу (див. фото 1), вимикач розімкнули (фото 2) і змінили опір реостата так, щоби показ амперметра збігся з попереднім.

Визначте опір резистора R1.
Відповідь запишіть в омах ($\mathrm{Ом}$).
Ілюстрація до питання 27.2
Правильна відповідь: 4.0
ЗНО-2017, додаткова сесія, питання 30
Однакові резистори з опором $7 \mathrm{~кОм}$ паралельно підключають до мережі з напругою $42 \mathrm{~В}$. Визначте максимально можливу кількість резисторів у колі, якщо сила струму не може бути більшою за $90 \mathrm{~мА}$.
Правильна відповідь: 15.0
ЗНО-2018, основна сесія, питання 36
Усі резистори в зображеному на рисунку електричному колі однакові. Визначте відношення напруги на полюсах джерела струму до напруги на резисторі 5.
Ілюстрація до питання 36
Правильна відповідь: 4.0
ЗНО-2015, пробна сесія, питання 29
У наведеному на рисунку електричному колі опори всіх резисторів однакові, опором джерела струму можна знехтувати. Визначте, у скільки разів збільшиться сила струму в електричному колі після замикання розімкненого ключа $K$.
Ілюстрація до питання 29
Правильна відповідь: 1.8
ЗНО-2011, основна сесія, питання 33
В електричному колі, схему якого зображено на рисунку, опір резисторів $R_{1}=30 \mathrm{~Ом}, R_{2}=60 \mathrm{~Ом}$, $R_{3}=30 \mathrm{~Ом}$ і $R_{4}=40 \mathrm{~Ом}$. Визначте напругу на резисторі $R_{4}$, якщо сила струму в резисторі $R_{3}$ дорівнює $20 \mathrm{~мА}$. Відповідь запишіть у вольтах.
Ілюстрація до питання 33
Правильна відповідь: 0.4
ЗНО-2013, основна сесія, питання 30
В електричному колі, схему якого зображено на рисунку, опори всіх резисторів однакові. Внутрішнім опором джерела струму можна знехтувати. Визначте, у скільки разів збільшиться сила струму в колі через джерело струму після замикання розімкненого ключа $K$.
Ілюстрація до питання 30
Правильна відповідь: 1.2
ЗНО-2013, додаткова сесія, питання 29
Шматок однорідного дроту розрізали на чотири однакових частини і з’єднали їх паралельно. Опір такої системи дротин виявився рівним $2 \mathrm{~Ом}$. Яким був опір дротини до того, як її розрізали?
Відповідь запишіть в омах.
Правильна відповідь: 32.0
ЗНО-2014, додаткова сесія, питання 29
Якої сили струм утворюється на ділянці кола, що складається з опорів $R_{1}=20 \mathrm{~Ом}$, $R_{2}=30 \mathrm{~Ом}$, $R_{3}=50 \mathrm{~Ом}$ (див. рисунок)? Спад напруги на ділянці $U=124 \mathrm{~В}$.
Відповідь запишіть в амперах.
Ілюстрація до питання 29
Правильна відповідь: 2.0
ЗНО-2010, основна сесія, питання 32
Визначте енергію конденсатора ємністю $C=0,5$ мкФ, увімкненого за схемою, зображеною на рисунку. Електрорушійна сила джерела дорівнює $10 \mathrm{~В}$, внутрішній опір джерела $r=2 \mathrm{~Ом}$, $R=8 \mathrm{~Ом}$.
Відповідь запишіть у мікроджоулях.
Ілюстрація до питання 32
Правильна відповідь: 2.56
ЗНО-2010, додаткова сесія, питання 33
Із дроту, який мав опір $9 \mathrm{~Ом}$, зробили замкнений рівносторонній трикутник. До двох точок у кутах трикутника підключили батарею з електрорушійною силою $4,5 \mathrm{~В}$ і внутрішнім опором $1 \mathrm{~Ом}$. Визначте силу струму, що проходить через батарею.
Відповідь запишіть в амперах.
Правильна відповідь: 1.5
ЗНО-2008, додаткова сесія-2, питання 33
Електричне коло складається з гальванічного елемента (1), амперметра (2), вимикача (3) і двох резисторів з опорами $1 \mathrm{~Ом}$ і $2 \mathrm{~Ом}$. Якщо змінювати положення вимикача, покази амперметра змінюються. Знайдіть внутрішній опір гальванічного елемента.
Ілюстрація до питання 33
Правильна відповідь: 0.8