Скачати цей тест

Всі тести у форматі PDF, презентації та Word документи для підготовки та викладання

Дізнатися більше
Схожість: 98%
Оригінал
№ 1 ЗНО-2014, пробна сесія
У довгій, вертикально встановленій трубці, з якої відкачали повітря, на однаковій висоті знаходяться дробинка, корок і пташине перо. Яке з цих тіл першим досягне дна трубки, вільно падаючи з однакової висоти?
А
дробинка
Б
корок
В
пташине перо
Г
усі три тіла одночасно
Правильна відповідь
Дублікат
№ 1 ЗНО-2011, додаткова сесія
У довгій вертикальній трубці, з якої відкачали повітря, на одній і тій же висоті знаходяться дробинка, корок і пташине перо. Яке з цих тіл першим досягне дна трубки, вільно падаючи з однакової висоти?
А
дробинка
Б
корок
В
пташине перо
Г
усі три тіла одночасно
Правильна відповідь
Схожість: 89%
Оригінал
№ 7 ЗНО-2014, пробна сесія
На рисунку зображено графік залежності абсолютної температури $T$ ідеального газу від його об'єму $V$. Укажіть рисунок із зображенням графіка відповідного процесу в іншій системі координат ($p$ – тиск, $T$ – температура, $V$ – об'єм).
Ілюстрація до питання 7
А
Ілюстрація до варіанту А
Б
Ілюстрація до варіанту Б
В
Ілюстрація до варіанту В Правильна відповідь
Г
Ілюстрація до варіанту Г
Дублікат
№ 7 ЗНО-2010, пробна сесія
На рисунку зображено графік залежності абсолютної температури ідеального газу від його об’єму. Виберіть рисунок, на якому зображено графік цього процесу в системі інших термодинамічних координат.
Ілюстрація до питання 7
А
Ілюстрація до варіанту А
Б
Ілюстрація до варіанту Б
В
Ілюстрація до варіанту В Правильна відповідь
Г
Ілюстрація до варіанту Г
Схожість: 93%
Оригінал
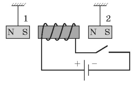
№ 13 ЗНО-2014, пробна сесія
На картонний каркас намотано алюмінієвий дріт. Поряд із цією котушкою підвішено на нитках магніти 1 і 2 (див. рисунок). Визначте, що відбуватиметься з магнітами після замикання вимикача в електричному колі, схему якого зображено на рисунку.
Ілюстрація до питання 13
А
обидва магніти притягнуться до котушки
Правильна відповідь
Б
обидва магніти відштовхнуться від котушки
В
магніти спочатку розвернуться на $180^{\circ}$, потім притягнуться до котушки
Г
магніт 1 притягнеться до котушки, магніт 2 відштовхнеться від неї
Дублікат
№ 15 ЗНО-2008, основна сесія
Поряд з котушкою, намотаною алюмінієвим дротом на немагнітному каркасі, підвішені на нитках два магніти (1 і 2). Визначте, що відбуватиметься з магнітами після замикання вимикача в електричному колі.
А
обидва магніти притягнуться до котушки;
Правильна відповідь
Б
обидва магніти відштовхнуться від котушки;
В
магніти спочатку повернуться на $180^{\circ}$, потім притягнуться до котушки;
Г
магніт 1 притягнеться до котушки, магніт 2 відштовхнеться від неї.
Схожість: 91%
Оригінал
№ 16 ЗНО-2014, пробна сесія
Коливальний контур складається з конденсатора електроємністю $8 \mathrm{~мкФ}$ і котушки з індуктивністю $2 \mathrm{~Гн}$. Визначте, яка формула може описувати залежність сили струму $i$ в котушці від часу $t$, коли в контурі відбуваються вільні електромагнітні коливання. Усі величини виражено в одиницях SI. Уважайте, що амплітуда коливань не змінюється.
А
$i=0,15 \sin 250 t$
Правильна відповідь
Б
$i=0,1 \sin 4000 t$
В
$i=0,15 \sin 250 \pi t$
Г
$i=0,1 \sin 4000 \pi t$
Дублікат
№ 16 ЗНО-2013, пробна сесія
Коливальний контур складається з конденсатора ємністю $0,5 \mathrm{~мкФ}$ і котушки індуктивністю $0,5 \mathrm{~Гн}$. Визначте, яка формула може описувати залежність напруги $u$ на конденсаторі від часу $t$, коли в контурі відбуваються вільні електромагнітні коливання. Усі величини виражено в одиницях SI.
А
$u=5 \cos 1000 t$
Б
$u=0,5 \cos 2000 t$
Правильна відповідь
В
$u=5 \cos 1000 \pi t$
Г
$u=0,5 \cos 2000 \pi t$
Схожість: 95%
Оригінал
№ 27 ЗНО-2014, пробна сесія
Повітряна куля, що має оболонку масою $400 \mathrm{~кг}$, заповнена гелієм. Куля може нерухомо утримувати вантаж масою $225 \mathrm{~кг}$ у повітрі на певній висоті. Визначте масу гелію в кулі. Уважайте, що об’єм вантажу малий, а газонепроникна оболонка кулі не спричиняє опору зміні об’єму кулі і є тонкою. Гелій і повітря вважайте ідеальними газами. Під час обчислень використайте значення молярної маси гелію $4 \cdot 10^{-3} \mathrm{~кг} / \mathrm{моль}$, а повітря – $29 \cdot 10^{-3} \mathrm{~кг}  / \mathrm{моль}$.
Відповідь запишіть у кілограмах.
Правильна відповідь: 100.0
Дублікат
№ 30 ЗНО-2010, додаткова сесія
Повітряна куля з газонепроникною оболонкою масою $400 \mathrm{~кг}$ заповнена гелієм. Куля може нерухомо утримувати вантаж масою $225 \mathrm{~кг}$ у повітрі на певній висоті. Визначте масу гелію в кулі. Вважайте, що об'єм вантажу малий, а оболонка кулі не спричиняє опору зміні об'єму кулі і є тонкою. Молярна маса гелію дорівнює $4 \cdot 10^{-3} \mathrm{~кг} / \mathrm{моль}$. Повітря вважайте газом з молярною масою $29 \cdot 10^{-3} \mathrm{~кг} / \mathrm{моль}$. Гелій і повітря вважайте ідеальними газами. Відповідь запишіть у кілограмах.
Правильна відповідь: 100.0
Схожість: 94%
Оригінал
№ 28 ЗНО-2014, пробна сесія
Температура нагрівника ідеальної теплової машини дорівнює $527{ }^{\circ} \mathrm{C}$, а температура холодильника становить $7{ }^{\circ} \mathrm{C}$. Визначте, яку кількість теплоти має передати нагрівник робочому тілу, щоб машина виконала корисну роботу, яка дорівнює $5,2 \mathrm{~кДж}$.
Відповідь запишіть у кілоджоулях.
Правильна відповідь: 8.0
Дублікат
№ 9 ЗНО-2009, основна сесія
Температура нагрівника ідеальної теплової машини дорівнює $527^{\circ} \mathrm{C}$, а температура холодильника становить $7^{\circ} \mathrm{C}$. Визначте, яку кількість теплоти має передати нагрівник робочому тілу, щоб машина виконала корисну роботу, що дорівнює $5,2 \mathrm{~кДж}$.
А
$0,07 \mathrm{~кДж}$
Б
$3,4 \mathrm{~кДж}$
В
$5,27 \mathrm{~кДж}$
Г
$8 \mathrm{~кДж}$
Правильна відповідь