Скачати цей тест

Всі тести у форматі PDF, презентації та Word документи для підготовки та викладання

Дізнатися більше
Схожість: 91%
Оригінал
№ 7 ЗНО-2013, додаткова сесія
Внутрішня енергія тіла збільшиться, якщо
А
підняти тіло на висоту $5 \mathrm{~м}$.
Б
надати тілу швидкості $5 \mathrm{~м}/\mathrm{с}$.
В
нагріти тіло на $5\ °\mathrm{C}$.
Правильна відповідь
Г
помістити тіло до теплоізолюючої шафи.
Дублікат
№ 9 ЗНО-2008, додаткова сесія
Правильно продовжте твердження. Внутрішня енергія тіла збільшиться, якщо:
А
підняти тіло на $5 \mathrm{~м}$;
Б
надати тілу швидкості $5 \mathrm{~м} / \mathrm{с}$;
В
нагріти тіло на $5^{\circ} \mathrm{C}$;
Правильна відповідь
Г
сховати тіло до теплоізолюючої шафи.
Схожість: 99%
Оригінал
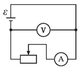
№ 11 ЗНО-2013, додаткова сесія
Як зміниться покази приладів, якщо ковзний контакт реостата перемістити праворуч? Опір з'єднувальних провідників та внутрішній опір гальванічного елемента не враховуйте.
Ілюстрація до питання 11
А
показ вольтметра зменшиться, показ амперметра не зміниться
Б
показ амперметра збільшиться, показ вольтметра зменшиться
В
покази амперметра та вольтметра зменшиться
Г
показ амперметра зменшиться, показ вольтметра не зміниться
Правильна відповідь
Дублікат
№ 14 ЗНО-2009, додаткова сесія
Як зміниться покази приладів, якщо ковзний контакт реостата перемістити праворуч? Опір з'єднувальних провідників та внутрішній опір гальванічного елемента не враховуйте.
Ілюстрація до питання 14
А
Показ вольтметра зменшиться, показ амперметра не зміниться.
Б
Показ амперметра збільшиться, показ вольтметра зменшиться.
В
Покази амперметра та вольтметра зменшаться.
Г
Показ амперметра зменшиться, показ вольтметра не зміниться.
Правильна відповідь
Схожість: 88%
Оригінал
№ 12 ЗНО-2013, додаткова сесія
Під час термоелектронної емісії електрони вилітають з поверхні металу за рахунок
А
опромінення металу світлом.
Б
дії сильного електричного поля.
В
бомбардування металу частинками.
Г
нагрівання металу.
Правильна відповідь
Дублікат
№ 15 ЗНО-2011, пробна сесія
Під час термоелектронної емісії електрони набувають кінетичної енергії за рахунок
А
опромінювання світлом.
Б
дії електричного поля.
В
бомбардування частинками.
Г
нагрівання тіла.
Правильна відповідь
Схожість: 93%
Оригінал
№ 15 ЗНО-2013, додаткова сесія
Вантаж, підвішений на нитці, здійснює вільні коливання між точками A\C (див. рисунок). Визначте напрямок прискорення вантажу в точці B. Затухання коливань не враховуйте.
Ілюстрація до питання 15
А
1
Правильна відповідь
Б
2
В
3
Г
4
Дублікат
№ 17 ЗНО-2010, основна сесія
Вантаж, підвішений на нитці, здійснює вільні коливання між точками $A$ і $C$ (див. рисунок). Визначте напрям прискорення вантажу в точці $B$. Затухання коливань не враховуйте.
Ілюстрація до питання 17
А
1
Правильна відповідь
Б
2
В
3
Г
4
Схожість: 97%
Оригінал
№ 16 ЗНО-2013, додаткова сесія
У коливальному контурі відбуваються вільні електромагнітні коливання. Електроємність конденсатора збільшили в 3 рази. У скільки разів потрібно змінити індуктивність котушки контуру, щоб період вільних коливань залишився незмінним?
А
зменшити в 9 разів
Б
зменшити в 3 рази
Правильна відповідь
В
збільшити в 3 рази
Г
збільшити в 9 разів
Дублікат
№ 22 ЗНО-2012, додаткова сесія
У коливальному контурі відбуваються вільні електромагнітні коливання. Ємність конденсатора збільшили в 3 рази. Як треба змінити індуктивність котушки контура, щоб період вільних коливань набув попереднього значення?
А
зменшити в 9 разів
Б
зменшити в 3 рази
Правильна відповідь
В
збільшити в 3 рази
Г
збільшити в 9 разів
Схожість: 94%
Оригінал
№ 31 ЗНО-2013, додаткова сесія
Для проведення лабораторної роботи з дослідження коефіцієнта корисної дії (ККД) установки з електричним нагрівником зібрали електричне коло з джерела постійного струму (1), вимикача (2), амперметра (3) та дротяної спіралі (5). До калориметра (4) налили $180 \mathrm{~г}$ води і встановили термометр (6). Покази термометра до замикання вимикача (2) зображено на фотографії I. Покази термометра через 20 хвилин після замикання електричного кола зображено на фотографії II.
Визначте ККД цієї установки.
Сила струму протягом досліду залишалася незмінною. Опір дротяної спіралі дорівнює $2 \mathrm{~Ом}$. Питома теплоємність води дорівнює $4,2 \cdot 10^3 \mathrm{~Дж} / ( \mathrm{кг} \cdot \mathrm{К} )$.
Відповідь запишіть у відсотках.
Ілюстрація до питання 31
Правильна відповідь: 70.0
Дублікат
№ 35 ЗНО-2007, основна сесія
Для проведення лабораторної роботи з дослідження ККД установки з електричним нагрівником зібрали електричне коло з джерела постійного струму (1), вимикача (2), амперметра (3) та дротяної спіралі (5). До калориметра (4) налили $180 \mathrm{~мл}$ води та встановили термометр (6). Покази термометра до замикання вимикача (2) зображені на фото I. Покази термометра через 20 хвилин після замикання електричного кола зображені на фото II.
Визначте (у процентах) ККД даної установки.

Сила струму протягом досліду залишалася незмінною. Опір дротяної спіралі дорівнює $2 \mathrm{~Ом}$. Густина води $1000 \mathrm{~кг}/\mathrm{м}{}^{3}$; питома теплоємність води $4,2 \cdot 10^{3} \mathrm{~Дж} / (\mathrm{кг} \cdot \mathrm{К})$, теплоємність калориметра мала.
Ілюстрація до питання 35
Схожість: 91%
Оригінал
№ 32 ЗНО-2013, додаткова сесія
Коли працює електронно-променевий телевізор, електрони вилітають з електронної гармати кінескопа, яка має нульовий потенціал, і досягають анода, потенціал якого дорівнює $25 \mathrm{~кВ}$. Визначте роботу, виконану електричним полем під час переміщення електронів, якщо загальний заряд, який вони перенесли за час перегляду реклами, дорівнює $0,01 \mathrm{~Кл}$.
Відповідь запишіть у джоулях.
Правильна відповідь: 250.0
Дублікат
№ 32 ЗНО-2008, додаткова сесія
Коли працює телевізор, електрони вилітають з електронної гармати кінескопа, яка має нульовий потенціал, і досягають анода, потенціал якого дорівнює $25 \mathrm{~кВ}$. Визначте роботу (у $\mathrm{Дж}$), виконану електричним полем при переміщенні електронів, якщо загальний заряд, який вони перенесли за час перегляду реклами, дорівнює $0,01 \mathrm{~Kл}$.
Правильна відповідь: 250.0
Схожість: 88%
Оригінал
№ 32 ЗНО-2013, додаткова сесія
Коли працює електронно-променевий телевізор, електрони вилітають з електронної гармати кінескопа, яка має нульовий потенціал, і досягають анода, потенціал якого дорівнює $25 \mathrm{~кВ}$. Визначте роботу, виконану електричним полем під час переміщення електронів, якщо загальний заряд, який вони перенесли за час перегляду реклами, дорівнює $0,01 \mathrm{~Кл}$.
Відповідь запишіть у джоулях.
Правильна відповідь: 250.0
Дублікат
№ 32 ЗНО-2008, додаткова сесія-2
Коли працює телевізор, електрони вилітають з електронної гармати кінескопа, яка має нульовий потенціал, і досягають анода. Знайдіть потенціал анода (у $\mathrm{кВ}$) за умови, що робота, виконана електричним полем при переміщенні електронів, дорівнює $250 \mathrm{~Дж}$, а загальний заряд, який перенесли електрони за час перегляду реклами, дорівнює $0,01 \mathrm{~Кл}$.
Правильна відповідь: 25.0